Ich bin cw-mobile Kunde
Als Neukunde fortfahren
Vorteile einer Registrierung:
- Persönliches Kundenkonto
- Bestellungen verfolgen
- Schnellerer Checkout
Ich bin cw-mobile Kunde
Als Neukunde fortfahren
Vorteile einer Registrierung:
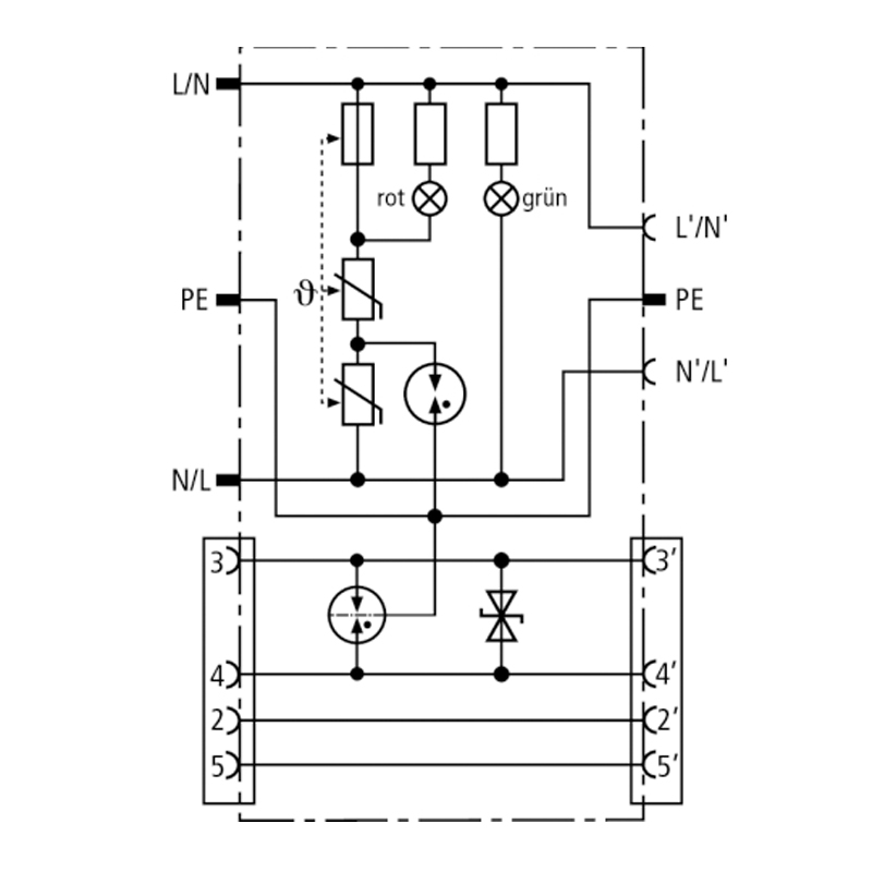
Der DEHN DPRO 230NT ist ein kombinierter Überspannungsschutz für Energie- und Datenseite eines digitalen Netzabschlusses NT. Auch geeignet für Telefon- und Faxgeräte. Mit optischer Betriebs- und Defektanzeige und integrierter Kindersicherung.
Datenblatt für DEHN DPRO 230NT Überspannungsschutz für NTBA
Abmessungen/ Allgemeine Daten:
Marke: DEHN
Gewicht: 212 g
Ableiterklasse: Q
Höchste Dauerspannung DC (UC): 180 V
D1 Blitzstoßstrom (10/350 µs) pro Ader (Iimp): 1 kA
C2 Nennableitstoßstrom (8/20 µs) pro Ader (In): 2,5 kA
Schutzpegel Ad-Ad bei In C2 (Up): ≤ 300 V
Schutzpegel Ad-PE bei In C2 (Up): ≤ 500 V
Schutzpegel Ad-Ad bei 1 kV/µs C3 (Up): ≤ 300 V
Schutzpegel Ad-PE bei 1 kV/µs C3 (Up): ≤ 500 V
Grenzfrequenz (fG): 50 MHz
Betriebstemperaturbereich (TU): -25 °C ... +40 °C
Schutzart: IP 20
Anschluss Eingang / Ausgang: RJ12 Buchse / RJ12 Buchse
Belegung: 3/4
Erdung über: Schutzleiteranschluss
Gehäusewerkstoff: Thermoplast, UL 94 V-2
Farbe: reinweiß
Prüfnormen: IEC 61643-21 / EN 61643-21
SPD nach EN 61643-11 / IEC 61643-11: Typ 3 / Class III
Nennspannung AC (UN): 230 V (50 / 60 Hz)
Höchste Dauerspannung AC (UC): 255 V (50 / 60 Hz)
Nennlaststrom AC (IL): 16 A
Nennableitstoßstrom (8/20 µs) (In): 3 kA
Gesamtableitstoßstrom (8/20 µs) [L+N-PE] (Itotal): 5 kA
Kombinierter Stoß (Uoc): 6 kV
Kombinierter Stoß [L+N-PE] (Uoc total): 10 kV
Schutzpegel [L-N] (Up): ≤ 1,25 kV
Schutzpegel [L/N-PE] (Up): ≤ 1,5 kV
Ansprechzeit [L-N] (tA): ≤ 25 ns
Ansprechzeit [L/N-PE] (tA): ≤ 100 ns
Max. netzseitiger Überstromschutz: B 16 A
Kurzschlussfestigkeit bei max. netzseitigem Überstromschutz (ISCCR): 1 kAeff
TOV-Spannung [L-N] (UT) – Charakteristik: 335 V / 5 sec. – Festigkeit
TOV-Spannung [L-N] (UT) – Charakteristik: 440 V / 120 min. – sicherer Ausfall
TOV-Spannung [L/N-PE] (UT) – Charakteristik: 335 V / 120 min. – Festigkeit
TOV-Spannung [L/N-PE] (UT) – Charakteristik: 440 V / 5 sec. – Festigkeit
TOV-Spannung [L+N-PE] (UT) – Charakteristik: 1200 V + UREF / 200 ms. – sicherer Ausfall
Defektanzeige: rotes Licht
Betriebsanzeige: grünes Licht
Anzahl der Ports: 1
Montage: Schutzkontakt-Stecksystem DIN 49440/DIN 49441
Prüfnormen: EN 61643-11